Модель: J01191A0041
Артикул: 000005328
24/7 без выходных
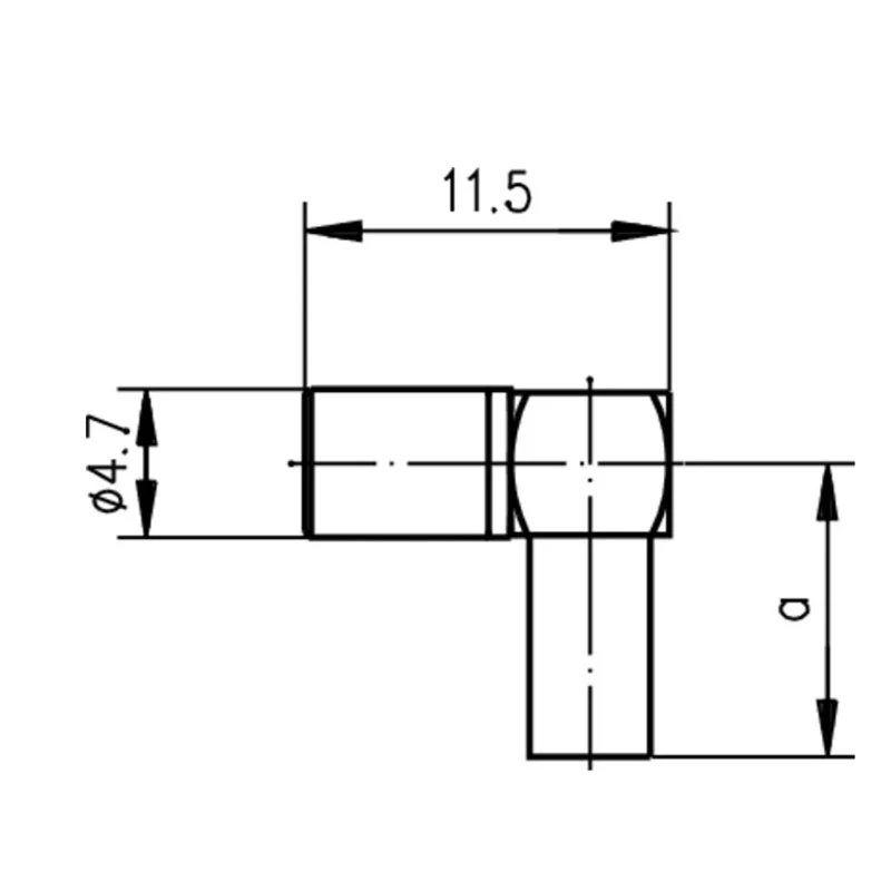
Разъёмы серии SSMB, имеющие механизм зажима с защёлкой, применяются на частотах до 3 GHz. Сопротивление кабельного соединения 50 Ом. Разъём подходит для эластичных типов кабеля, таких как RG-316 и RG-178. Модели разъёмов выпускаются для монтажа на печатные платы, используя как технологию сквозной пайки, так и обратной запрессовки контактов. Для монтажа кабельных разъёмов серии SSMB используются технологии пайки, обжима и опрессовки. Компактный размер разъёмов позволяет применять их в миниатюрных инструментах и коммуникационном оборудовании.
Готовые соединительные RF кабели с разъёмами SSMB, а также других серий коаксиальных соединителей изготавливаются нашей компанией по спецификациям заказчиков.
|
Механические характеристики: |
|
|
Коммутационная износостойкость стандартных моделей |
≥ 100 |
|
Коммутационная износостойкость (кол-во циклов): тип MIL |
≥ 500 |
|
Усилие подключения |
макс. 27 N |
|
Отсоединение |
мин. 4.5 N |
|
Материал контакта |
CuBe2 |
|
Материал: цельные части контактной группы |
CuZn39Pb3 |
|
Материал обода |
Cu |
|
Материал зубчатой пружинной шайбы |
CuSn6 |
|
Материал изолятора |
PTFE |
|
Внутреннее покрытие |
Cu1Ni2Au1.27 |
|
Внешнее покрытие позолоченное (последняя цифра кода...1) |
Cu1Ni2Au0.8 |
|
Внешнее покрытие: MIL позолоченное (последняя цифра кода...2) |
Cu1Ni2Au1.27 |
|
Внешнее покрытие: для печатной платы (последняя цифра кода...7) |
SnPb8 |
|
Внешнее покрытие: никелевое покрытие (последняя цифра кода...9) |
CuSnZn3 |
|
Внешнее покрытие: никелевое покрытие (последняя цифра кода...9) |
Cu2Ni5 |
|
Остальные металлические части корпуса: покрыто злотом (последняя цифра кода...1) |
Cu2Ni5Au0.2 |
|
Остальные металлические части корпуса: MIL покрыто золотом (последняя цифра кода...2) |
Cu1Ni2Au0.8 |
|
Остальные металлические части корпуса: никелевое покрытие (последняя цифра кода...9) |
Cu2Ni5 |
|
Электрические характеристики: |
|
|
Переходное сопротивление внутреннего контакта |
≤ 5 mΩ |
|
Переходное сопротивление внешнего контакта |
≤ 2.5 mΩ |
|
Сопротивление изоляции |
≥ 1 GΩ |
|
Электрическая прочность при 50 Hz |
500 Veff |
|
Рабочее напряжение при 50 Hz |
≤ 250 Veff |
|
Сопротивление |
50 Ω |
|
Затухание для полужёсткого типа кабеля (прямой корпус) на частоте 1 GHz |
≥ 20.0 dB |
|
Затухание (угловой корпус) на частоте 1 GHz |
≥ 14.0 dB |
|
Диапазон частоты |
до 3 GHz |
|
Климатические характеристики: |
|
|
Соответствие стандарту IEC 60068 - 1 |
55/155/21 |

Отзывов о данном товаре пока нет.
Нет отзывов о данном товаре, станьте первым, оставьте свой отзыв.
Нет вопросов о данном товаре, станьте первым и задайте свой вопрос.